Initial problem get ya a wiring diagram at the exmark site. Diamlerchrysler wiring diagrams are designed to provide information regarding the vehicles wiring content.
Wiring Diagram Read And Draw Wiring Diagrams
A simple easy to follow wiring diagram.
Ya wiring diagram. Yamaha at2 125 electrical wiring diagram schematic 1972 here. Alfa leisure went out of business in 2008. Exmark lazer z 25hp kohler command 60 next generation.
Yamaha at1 125 electrical wiring diagram schematic 1969 1970 1971 here. Can anyone tell me where i can locate a 12v wiring schematic diagram for all the interior lights on a 2002 38 alfa see ya. Yamaha motorcycle electrical wiring diagram schematics.
2015 04 05 exmark lazer z ct wiring diagram. Does anyone have a wiring diagram that would show how the tranny should be hooked up to the vehicle. Yamaha ct1 175 electrical wiring diagram schematic 1969 1970 1971 here.
They are placed here for educational purposes only. In order to effectively use diamlerchrysler wiring diagrams to diagnose and repair a diamlerchrysler vehicle it is important to under stand all of their features and characteristics. Alfateers had alfa items on the web for awhile but.
I did go from a 5 speed to a 700r4. Biasanya simbol simbol tersebut disertakan pada wiring diagram dikenal dengan istilah legend atau mungkin ada istilah lainnya. High performance racing cdi 2 plugs wiht 6 pins ac fired square plug newmotoz gy6 50cc 125cc 150cc 250cc scooter.
Yamaha at3 125 electrical wiring diagram schematic 1973 here. Ok i did the v8 swap in my s 10 everything works except the speedometer. Persyaratannya tidak rumit kok cuma harus tahu mengenai simbol simbol kelistrikan baik itu yang berupa gambar huruf atau pun angka.
If you like this video please consider subscribing to our channel and follow us on facebook and instagram. Jadi kalau kita kesulitan untuk menterjemahkan wiring diagram suatu rangkaian kita bisa melihat legend tersebut. My father and i hooked up the wires from my transmission to the ones on the new tranny.
If ya aint up to par on usin. Yamaha ct2 175 electrical wiring diagram schematic 1972 here. Star delta wiring diagram star delta network wiring diagram for starting 3ph motor using star delta motor control with circuit diagram wiring diagram of a delta star connection in a 3 phase induction motor star delta motor connection free apps offline and online app small size you can find the best and modern designs about the free star.
Diagrams are arranged such that the power b. These are wiring diagrams for 2000 alfa id31rl. Will appreciate the help.
Strategies to one of the most asked questions will also be revealed using exmark lazer z ct wiring diagram. Gy6 ac cdi wiring diagram click here here is a cdi diagram its ac but will work for dc to help you understand what wire for the gy6 and my gk 28 roketa i try to send some pics later if it would help. How to wire a relay for a light bar.
Diagram Kawat Wiring Diagram Elektronika Itu Menyenangkan
Wiring Diagram Abs System Born Ford Tough
Electric Heat Wiring Diagrams Wiring Diagram Database
Wiring Diagram Read And Draw Wiring Diagrams
Ford Ecosport Wiring Diagram Lengkap Born Ford Tough
Electrical Wiring Diagram Edmar 01
Honda C70 Wiring Diagram Images Fresh Wiring Diagram For
Vario Wiring Diagram Masih Fahrur Rozi Flickr
Complete Guide To Home Electrical Wiring Pdf Wiring
Simple Motorcycle Electrical Wiring Diagram For Android
Elektro Mekanik Wiring Diagram Star Delta Bintang Segitiga
Belajar Wiring Diagram For Android Apk Download
Furnace Blower Wiring Diagram Hd Dump Me For Pada Tahun 2019
Split Air Conditioner Wiring Diagram Hermawan S Blog
Electrical Wiring Diagram Inova Bensin
Complete Guide To Home Electrical Wiring Pdf Wiring
Free Wiring Diagrams No Joke Freeautomechanic
Cara Membaca Kode Kelistrikan Wiring Diagram Sistem
Wire Diagram For Dummies Basic Electrical Wiring Theory
Simple Wiring Diagram Wiring Diagram Template
9 A Partial Wiring Diagram Of Biological Circuits For Heart
Pembuatan Wiring Diagram Panel Listrik Teknisi Listrik
Elektro Mekanik Wiring Diagram Star Delta Bintang Segitiga
Wiring Diagram Ac Window Refrigeration Air Conditioning
Circuit Diagram Maker Free Download Online App
Soft Starter For Potable Water Well Pump Wiring Diagram
Berkas Wiring Diagram Gif Wikipedia Bahasa Indonesia
Wiring Diagram Rangkaian Star Delta Automatis Dan Manual
Mazda Bt50 Wl C We C Wiring Diagram F198 30 05l7
Onan Wiring Diagram Wiring Diagram General Helper
Complete Guide To Home Electrical Wiring Pdf Wiring
Wiring Diagram Outdoor Unit Sanyo Sap C92g Hvac Corner
Latihan Autocad Membuat Wiring Diagram
New Wiring Diagram Electric Ems2 Tad1640ge Pdf Electrical
Swann Security Camera N3960 Wiring Diagram Collection
Jensen Healey Wiring Diagram The Jensen Museum
Download 1986 Vw Westfalia Joker Wiring Diagram Translated
Jerr Dan Wire Diagram Wiring Diagram Content
Hunter Ceiling Fan Wiring Diagram Crazymba Club
Belajar Wiring Diagram For Android Apk Download
Wiring Diagram Rangkaian Star Delta Automatis Dan Manual
Wiring Diagram Kamera Mundur Tutorial Tips Trik Dan Cara
Wiring Diagram Read And Draw Wiring Diagrams
Wiring Diagram Kelistrikan Warna Kabel Ppt Download
Wiring Diagram Ats Amf Dengan Zelio Smart Relay
Sony Wiring Harness Diagram Types Of Electrical Wiring
Wiring Diagram Yamaha New Vixion Tips Electrical Wiring
Wiring Diagram Model T 49f Wiring Diagram Database
Wiring Diagram Rangkaian Auto Trafo Auto Transformer
Jensen Healey Wiring Diagram The Jensen Museum
Free Wiring Diagrams No Joke Freeautomechanic
Wiring Diagram Honda Tiger Archives Awansan Com
Wire Diagram For Dummies Basic Electrical Wiring Theory
Wiring Diagram Abs System Born Ford Tough
Wiring Diagram System Garena Rov Mobile Moba Fireman S
Gambar 3 Wiring Diagram Relay Omron H3cr A8 Download
Wiring Diagram Kawasaki Klx 250 Keluaran Tahun 2012 Sampai 2015
Well Pump Electrical Circuit Diagram Information About
Quad Wiring Diagram Types Of Electrical Wiring Diagrams
Ac Fan Motor Wiring Diagram Wiring Diagram Symbols And Guide
Bmw E39 Wiring Diagram Wiring Diagram New Era
Cara Kerja Saklar Tukar Saklar Hotel Wiring Diagram 2 Way Light Swicth
Wiring Diagram Alarm Mobil Standar Dengan Remote Control
7 Pin Connector Wiring Diagram Wiring Diagram General Helper
Electrical Wiring Diagram Simulator For Car Alat Praktek Smk
Wiring Diagram Yamaha New Vixion Tips Electrical Wiring
Seri Cbb60 Kapasitor Wiring Diagram Untuk Pompa Air Buy Wiring Diagram Untuk Pompa Air Cbb60 Kompresor Udara Kapasitor Untuk Motor Aplikasi Wiring
Light Wiring Diagrams Light Fitting
Bmw E39 Wiring Diagram Wiring Diagram New Era
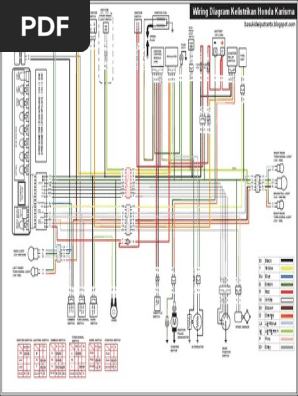
Wiring Diagram Kelistrikan Honda Karisma 125d Hd Sistem
Wiring Diagram For Fisher Minute Mount Information About
Circuit Wiring Diagram Complete 1 0 Unduh Apk Untuk Android
Wiring Diagram Rangkaian Star Delta Apk App Unduh Gratis
1993 Jeep Cherokee Wiring Diagram Wiring Diagram Symbols
Wiring Diagram Home Automation Kits Electrical Wires Cable
Wiring Diagram Pandangan Bawah Dari 30a Relay Baru
Pembuatan Wiring Diagram Panel Listrik Teknisi Listrik
Ascaso Uno Professional Pid Wiring Diagram
Circuit Wiring Diagram Complete 1 0 Unduh Apk Untuk Android
Star Delta Wiring Diagram For Android Apk Download
Wiring Diagram Diagram Pengkabelan Yamaha Byson Kaskus
Wiring Diagram Bmw X5 E53 Basic Schematic Drawings
Wiring Diagram Fire Alarm Addressable Patigeni
Wiring Diagram Kelistrikan Honda Cbr 250r
Book Engine Diagram Kelistrikan Wiring Diagram Mazda626 Mx6
4 Wire Fan Diagram Automotive Wiring Schematic
Simple Wiring Diagram Mobil Android Aplicații Appagg
Wiring Diagram Mobil Amerika Apps On Google Play
Mazda 6 Wiring Diagram 2006 Wiring Diagram Filter 2000 Mazda
Abb Vfd Control Wiring Diagram Free Download Automotive
Electrical Wiring Diagram Inova Bensin
Clothes Hanger Wiring Diagram Wire Clip Art Png 1657x916px
Jalur Kelistrikan Sepeda Motor Listrik Wiring Diagram
Wiring Diagram Daihatsu Taruna Wiring Diagram Database
Wiring Diagram Rangkaian Star Delta Apk App Unduh Gratis
Ford 4000 Wiring Diagram Types Of Electrical Wiring Diagrams


